美丽的网站-英华家电维修论坛

标题: 用TDA1521制作2.1电脑低音炮音箱电路 [打印本页]

作者: 65765sdded    时间: 2011-5-19 08:34
标题: 用TDA1521制作2.1电脑低音炮音箱电路
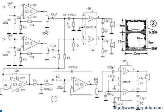
电路使用1片TDA1521作为双声道功率放大,另1片TDA1521 BTL形式输出作为.1低音炮放大。IC1和IC2可以使用NE5532或JRC4558或TL082。也可以使用其他高档的运放,如OP275,LT1057,OPA2604等等。
作者: 指尖、殃温柔    时间: 2011-7-19 18:08
不错
作者: 湖南维修    时间: 2011-7-19 18:41
这个好  顶  




欢迎光临 美丽的网站-英华家电维修论坛 (http://www.bsss.info/) Powered by Discuz! X3.2